ec.png ec-ph.png

AG庄闲EC616协作机器人

简单易用,灵活拓展,高安全性,部署灵活

EC616
  • 亮点
  • 参数
  • 图纸
  • 相关资源
  • 相关产品

EC616

  • b3icon1-594.svg
    954mm

    工作半径

  • b3icon2-752.svg
    16kg

    负载

  • b3icon3.svg
    ±0.03mm

    重复定位精度

  • b3icon4.svg
    32.5Kg

    自重

产品参数

  • 技术参数
  • 关节参数
  • 物理参数及认证
  • 配件型号
    • 名称参数
      自由度6
      负载16kg
      工作半径954mm
      重复定位精度±0.03mm
      典型功耗435W
      安装方式任意角度
      工具I/O2xDI、2×DO、1xAI 、1xAO
      工具I/O供电24V/2A
      工具通信RS485

    • 关节运动范围关节最大速度
      基座±360°120°/s
      肩部±360°120°/s
      肘部±360°150°/s
      腕部1±360°210°/s
      腕部2±360°210°/s
      腕部3±360°210°/s
      工具最大速度2.8m/s2.8m/s
    • 名称参数
      自重32.5kg
      底座直径Φ200mm
      IP防护等级IP54
      工作环境温度-10℃ ~ 50℃
      工作环境湿度90%相对湿度(非冷凝)
      材料铝合金、钢、塑料、橡胶
      标准线缆长度5.5m
      产品认证CE、CR、UL、KCs、RoHS
    • 名称参数
      控制箱ERB3E600
      MINI控制箱(选配)ERB1E2K0ME-48
      示教器ERP300
      示教软件基于浏览器的图形化示教软件E-Wireless,可适用于手机、平板、电脑
ec616.png

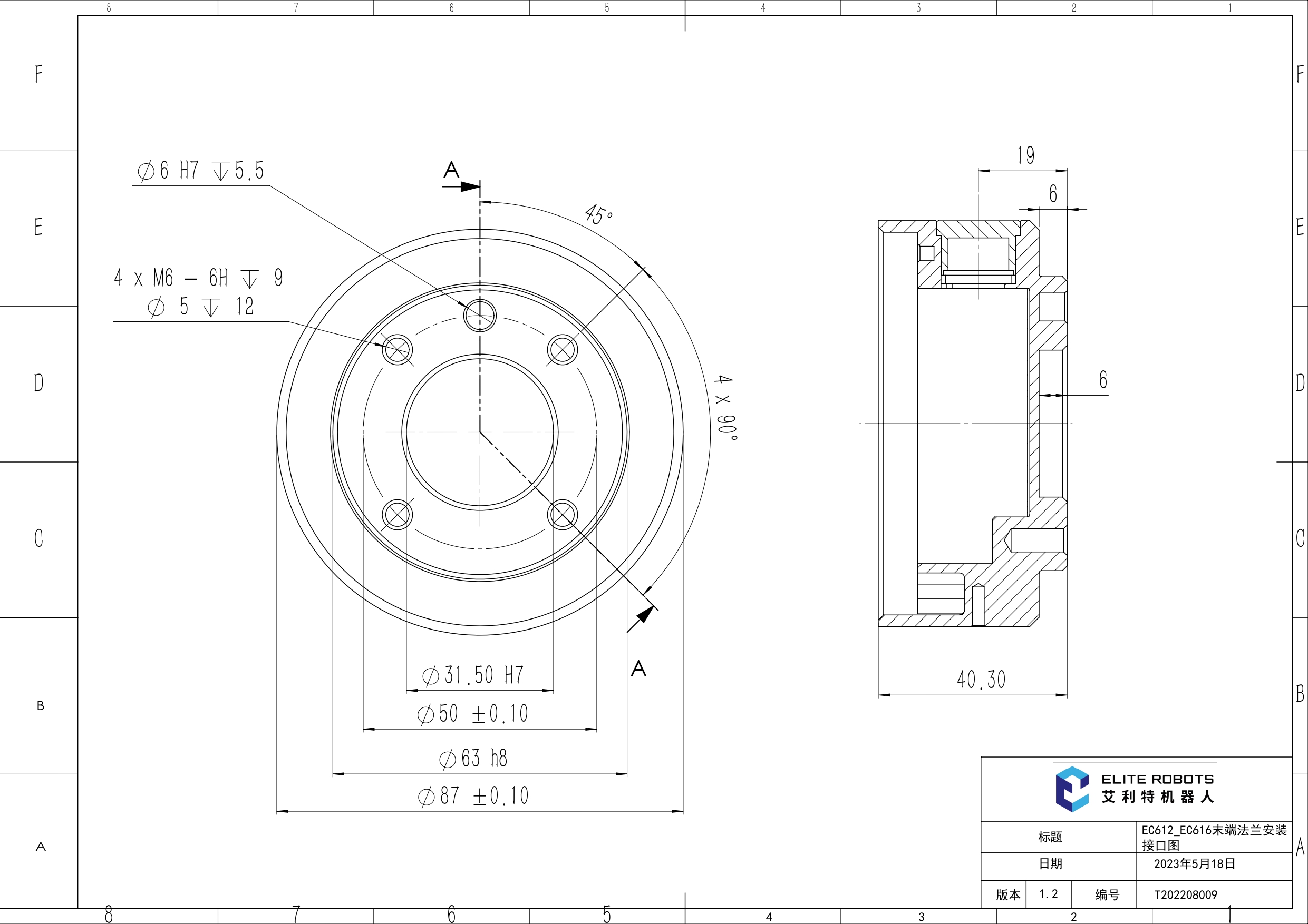
产品图纸

  • 外形尺寸图
  • 工作范围图
  • 基座俯视图
  • 末端法兰图
download-669.svg comicon14.svg

电话咨询

download-397.svg comicon15.svg

免费试用

Vector.svg Frame.svg

微信小程序

img1.jpg

微信小程序

准备好突破增长瓶颈,开启智能制造了吗?
了解AG庄闲的机器人如何帮助您的业务增长
欢迎下载AG庄闲机器人资料

我已阅读并同意AG庄闲《隐私政策》《法律声明》

我已知晓并同意AG庄闲通过电子邮件发送相关资料

提交